
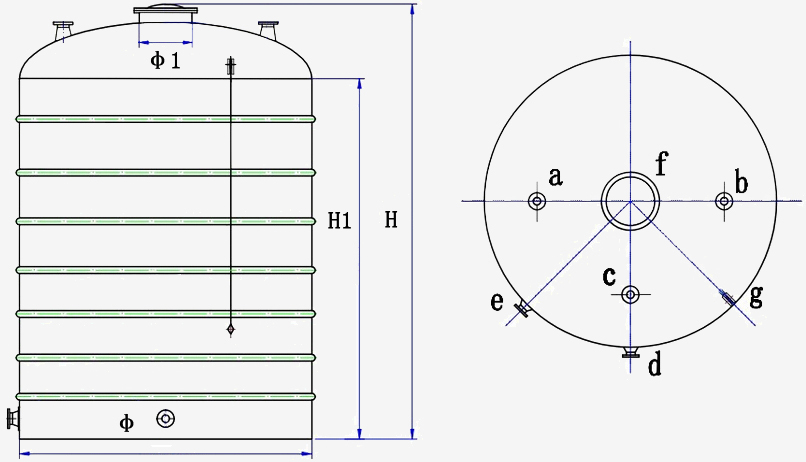
| 公稱容積(M³) | 直徑 | 總高 | 垂高(gāo) | 人孔(kǒng)直徑 | 標準進出口接口(DN) |
| φ | H | H1 | φ1 | ||
| 0.5 | 780 | 1300 | 1070 | 400 | 法蘭(lán)、螺紋接口選裝 |
| 1 | 1000 | 1380 | 1200 | 400 | 出口法(fǎ)蘭DN50、65、80選裝 |
| 2 | 1300 | 1800 | 1490 | 400 | 出口法蘭DN50、65、80選(xuǎn)裝 |
| 3 | 1600 | 1900 | 1600 | 400 | 出口法蘭DN50、65、80選裝 |
| 5 | 1800 | 2200 | 1720 | 400 | 出(chū)口法蘭DN50、65、80選裝 |
| 10 | 2300 | 2700 | 2470 | 600 | 出口(kǒu)法蘭DN50、65、80選裝 |
| 12 | 2580 | 2940 | 2400 | 600 | 出口法蘭DN50、65、80選裝 |
| 15 | 2580 | 3500 | 2960 | 600 | 出口法蘭DN50、65、80選裝 |
| 20 | 2760 | 3780 | 3150 | 600 | 出口法蘭DN50、65、80選裝 |




河南91视频免费观看(yuán)為(wéi)您提供聚乙烯防腐容器、聚丙烯防腐容器、鋼襯塑防腐容(róng)器、鋼襯四(sì)氟防腐容器、四氟管道管件的(de)選購(gòu)和解決方案;您可以致電全國統一服務熱線:18567623999、銷售電(diàn)話(huà):18567623999,進行產品谘詢或來訪預約,我們將竭誠為您服務!