鋼襯四氟換熱器(qì)主要用於的各種強腐蝕性介質的換熱﹐結構有管殼式換熱器(qì)和(hé)沉浸式換熱器兩種型(xíng)式,主要部分都(dōu)是由許(xǔ)多小直徑薄(báo)壁的聚四氟乙烯傳熱軟管組成的管束。

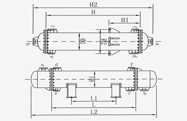
| 傳熱麵積(M²) | 筒體 | 掛耳(ěr) | 外型尺寸 |
吸收列管 Φ20×1.7 |
管接口法蘭規格(gé)(DN) | ||||||||||
| Φ1 | Φ2 | 立式 | 臥式 | a | b | c | d | e | f | ||||||
| H | H1 | H2 | L | L1 | L2 | 數量/根 | |||||||||
| 2 | 250 | 410 | 800 | 300 | 1240 | 800 | 350 | 1460 | 48 | 50 | 50 | 40 | 50 | 50 | / |
| 3 | 250 | 410 | 1050 | 350 | 1490 | 1050 | 500 | 1710 | 52 | 50 | 50 | 40 | 50 | 50 | / |
| 4 | 250 | 410 | 1350 | 450 | 1790 | 1350 | 800 | 2010 | 52 | 50 | 50 | 40 | 50 | 50 | / |
| 4 | 310 | 470 | 970 | 330 | 1420 | 970 | 450 | 1670 | 75 | 50 | 50 | 40 | 50 | 50 | / |
| 5 | 310 | 470 | 1200 | 400 | 1650 | 1200 | 700 | 1900 | 75 | 50 | 50 | 40 | 50 | 50 | / |
| 6 | 310 | 470 | 1400 | 450 | 1850 | 1400 | 800 | 2100 | 75 | 50 | 50 | 40 | 50 | 50 | / |
| 8 | 310 | 470 | 1800 | 600 | 2250 | 1800 | 1000 | 2500 | 75 | 65 | 65 | 50 | 65 | 50 | / |
| 10 | 310 | 470 | 2250 | 750 | 2700 | 2250 | 1300 | 2950 | 75 | 65 | 65 | 50 | 65 | 50 | / |
| 10 | 405 | 565 | 1250 | 400 | 1760 | 1250 | 700 | 2050 | 144 | 65 | 65 | 50 | 65 | 50 | / |
| 12 | 310 | 470 | 2700 | 900 | 3150 | 2700 | 1600 | 3400 | 75 | 65 | 65 | 50 | 65 | 50 | / |
| 12 | 405 | 565 | 1450 | 500 | 1960 | 1450 | 800 | 2250 | 144 | 65 | 65 | 50 | 65 | 50 | / |
| 15 | 405 | 565 | 1800 | 600 | 2310 | 1800 | 1000 | 2600 | 144 | 65 | 65 | 50 | 65 | 50 | / |
| 18 | 405 | 565 | 2120 | 700 | 2630 | 2120 | 1300 | 2920 | 144 | 80 | 80 | 50 | 65 | 50 | 65 |
| 20 | 405 | 565 | 2350 | 800 | 2860 | 2350 | 1400 | 3150 | 144 | 80 | 80 | 50 | 65 | 50 | 65 |
| 22 | 405 | 565 | 2600 | 850 | 3110 | 2600 | 1500 | 3400 | 144 | 80 | 80 | 50 | 65 | 50 | 65 |
| 25 | 405 | 565 | 2900 | 1000 | 3410 | 2900 | 1800 | 3700 | 144 | 80 | 80 | 50 | 65 | 50 | 65 |
| 25 | 500 | 720 | 1850 | 600 | 2380 | 1850 | 1000 | 2690 | 234 | 80 | 80 | 50 | 65 | 50 | 65 |
| 30 | 500 | 720 | 2200 | 750 | 2730 | 2200 | 1300 | 3040 | 234 | 80 | 80 | 50 | 65 | 50 | 65 |
| 35 | 500 | 720 | 2520 | 850 | 3050 | 2520 | 1500 | 3360 | 234 | 80 | 80 | 50 | 65 | 50 | 65 |
| 40 | 500 | 720 | 2900 | 1000 | 3430 | 2900 | 1800 | 3740 | 234 | 80 | 80 | 50 | 65 | 50 | 65 |
| 45 | 500 | 720 | 3200 | 1100 | 3730 | 3200 | 2000 | 4040 | 234 | 80 | 80 | 50 | 65 | 50 | 65 |
| 50 | 500 | 720 | 3550 | 1200 | 4080 | 3550 | 2200 | 4390 | 234 | 100 | 100 | 50 | 65 | 50 | 65 |
| 50 | 630 | 850 | 2450 | 800 | 3040 | 2450 | 1400 | 3350 | 346 | 100 | 100 | 50 | 65 | 50 | 65 |
| 55 | 630 | 850 | 2660 | 900 | 3250 | 2660 | 1500 | 3560 | 346 | 100 | 100 | 50 | 65 | 50 | 65 |
| 60 | 630 | 850 | 2900 | 1000 | 3490 | 2900 | 1800 | 3800 | 346 | 100 | 100 | 50 | 65 | 50 | 65 |
| 65 | 630 | 850 | 3120 | 1000 | 3710 | 3120 | 2000 | 4020 | 346 | 100 | 100 | 50 | 65 | 50 | 65 |
| 70 | 630 | 850 | 3350 | 1100 | 3940 | 3350 | 2100 | 4250 | 346 | 100 | 100 | 50 | 65 | 50 | 65 |
| 75 | 630 | 850 | 3600 | 1200 | 4190 | 3600 | 2200 | 4500 | 346 | 100 | 100 | 50 | 65 | 50 | 65 |
| 80 | 630 | 850 | 3820 | 1300 | 4410 | 3820 | 2400 | 4720 | 346 | 100 | 100 | 50 | 65 | 50 | 65 |
| 85 | 630 | 850 | 4050 | 1400 | 4640 | 4050 | 2500 | 4950 | 346 | 100 | 100 | 50 | 65 | 50 | 65 |
| 90 | 630 | 850 | 4400 | 1500 | 4990 | 4400 | 2700 | 5300 | 346 | 100 | 100 | 50 | 65 | 50 | 65 |
| 90 | 710 | 930 | 3260 | 1100 | 3920 | 3260 | 2000 | 4220 | 457 | 100 | 100 | 50 | 65 | 50 | 65 |
| 95 | 710 | 930 | 3450 | 1200 | 4110 | 3450 | 2100 | 4410 | 457 | 100 | 100 | 50 | 65 | 50 | 65 |
| 100 | 710 | 930 | 3620 | 1200 | 4280 | 3620 | 2200 | 4580 | 457 | 150 | 150 | 65 | 80 | 65 | 80 |
| 120 | 800 | 1020 | 3100 | 1000 | 3840 | 3100 | 2000 | 4200 | 646 | 150 | 150 | 65 | 80 | 65 | 80 |
| 150 | 800 | 1020 | 3800 | 1300 | 4540 | 3800 | 2400 | 4900 | 646 | 150 | 150 | 65 | 80 | 65 | 80 |
| 180 | 800 | 1020 | 4550 | 1500 | 5290 | 4550 | 2800 | 5650 | 646 | 150 | 150 | 65 | 80 | 65 | 80 |
| 管口用(yòng)途:a:管程入口或出口、b:管程入口或出口、c:冷卻水入口、d:冷卻水出口、e:清洗排盡口、f:備用(yòng)口。 | |||||||||||||||




河南創(chuàng)元為您提供聚乙烯防腐容器、聚丙(bǐng)烯防腐容器、鋼襯(chèn)塑防腐容(róng)器、鋼襯四氟防腐容器、四氟管(guǎn)道管件的選購(gòu)和(hé)解決方案;您可以致電全國統一服務熱線:18567623999、銷售電話:18567623999,進(jìn)行產品谘詢或來訪預約(yuē),我們將竭誠為您服務!